DC-DC converters play a vital role in power management and the operation of electronic devices. These devices enable the adjustment of voltage to meet the requirements of diverse components. However, isolation is a key feature that has a significant impact on the reliability and safety of electronic systems.Therefore, it is important to understand the types and characteristics of isolated DC converters before purchasing one. This article introduces isolated DC converters with two topological structures, analyses their working principles, characteristics and differences. It covers the flyback and forward Isolated DC/DC converter.
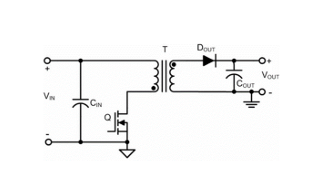
The flyback converter converts an input voltage into a regulated output voltage by storing energy in the transformer core during the on time and transferring it to the secondary during the off time.The flyback converter is an isolated DC-DC converter that uses mutually coupled inductor (transformer) to store energy. When the current passes through the primary and release the energy to the secondary when the power is removed. The Flyback converter and the Buck-Boost converter are similar in operation and performance. However, in the Flyback converter, the primary and secondary windings are used as two separate inductors. The advantages of the Flyback topology include isolation between the primary and secondary sides of the converter, the ability to support multiple outputs, the ability to operate with a wide range of input voltages, higher voltage gain and low parts count. This converter is used in low- to mid-power applications where the power rating is around several hundred Watts.


It is possible to generate a very stable regulated output by monitoring the voltage or current, and implementing an isolated feedback path, typically via an optocoupler. However, flyback converters can also be regulated on the primary side. This is achieved by monitoring the primary winding waveform and using the knee-point to detect when the secondary current has reached zero. This approach eliminates the optocoupler, further reducing the number of components.
The transformer core requires careful selection due to the inherent disadvantages of this design. It is important to note that the air-gapped core should not saturate, despite the presence of an average positive direct current (DC) current flowing through the transformer. However, efficiency may be compromised if the core has a significant magnetic hysteresis. Furthermore, eddy current losses in the windings can present a problem due to the high peak currents. It should be noted that these two effects limit the practical operational frequency range of this topology.
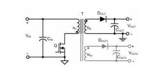
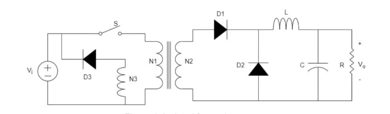
Forward converters build upon buck converters by incorporating a transformer for galvanic isolation between input and output. This maintains the buck converter's advantages while enabling a safe voltage separation. In order to address the issue of transformer saturation, forward converters have the option of utilising a three-winding design that is more complex in nature. This approach has been shown to improve efficiency. This continuous transfer translates to higher efficiency and power density compared to non-isolated buck converters.

In contrast to flyback converters, forward converters continuously transfer energy from the primary to the secondary through the transformer, rather than storing energy in the air gap of the transformer core. Therefore, the core does not require an air gap, thus eliminating the associated losses and radiated electromagnetic interference. As hysteresis losses are less significant, it is possible to increase the core's inductance. By reducing the peak current, we can minimise both winding and diode losses, thus reducing input and output ripple current. Therefore, under the same output power conditions, forward converters have higher efficiency.The main disadvantage is increased component costs, and a minimum load is required to prevent the converter from entering discontinuous mode, which significantly alters the transfer function.
Although transformers pose challenges such as increased cost and size, isolated DC-DC converters remain an indispensable component in modern electronic products. Isolated DC-DC converters enhance safety, eliminate ground loops, and provide floating outputs for level conversion. As a result, their value is immeasurable in a wide range of applications, particularly those with high noise immunity and safety requirements.

